Accueil
Exercice 1
Exercice 2
Exercice 3
Exercice 4
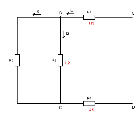
Etude de circuit électrique
Entrer les constantes et cliquer sur résoudre :
Noter que U
3
est la tension aux bornes de R
4
R
1
:
R
2
:
R
3
:
R
4
:
U
DA
:
Résoudre
Solutions :
I
1
=
A
I
2
=
A
I
3
=
A
U
1
=
V
U
2
=
V
U
3
=
V
Afficher le code et les étapes
Code :
Etapes :